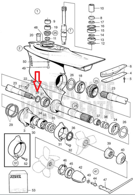
Bitte geben Sie die Artikelnummer aus unserem Katalog ein.
1,51 EUR
inkl. 19 % MwSt. zzgl. Versandkosten
Lieferzeit: 3-4 Tage
Ihr Warenkorb ist leer.
E-Mail-Adresse:
Der Newsletter kann jederzeit hier oder in Ihrem Kundenkonto abbestellt werden.
Kundengruppe: Gast
Muldentalnautic © 2026 | Template © 2009-2026 by modified eCommerce Shopsoftware